傳感及泵閥類
貨號: #PVS-2B-35RQ1A4-12
庫存: 0件
NACHI不二越液壓泵的特點和作/選型表
特長
大幅降低損耗的節能型
采用NACHI獨有的半圓筒式沖壓板,在面上承受壓力,可始終獲得穩定的排出量,因此不會有多余的排出量,同時根據負載循環有效利用動力。
實現了節能和動力損耗降低的“節能安靜地發揮力量的靜音類型型”,有助于降低液壓的成本。
鞋履、沖壓機、閥板等,采用獨特的低噪音機構,實現靜音。特別是通過半圓筒式滑塊板使動作特性穩定化,運轉聲音安靜。



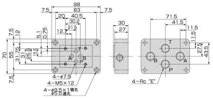
SA-G01-A※※-※-C※-31
SA-G01-H※※-※-C※-31
(注)SA-G01-H※※-R※※-31時,電磁鐵安裝在圖的相反位置(SOL a)。

SA-G01-C※※-R-C※-31
SA-G01-E※※-R-C※-31

SA-G01-A※※-※-D※/E※-31
SA-G01-H※※-※-D※/E※-31
SA-G01-C※※-※-D※/E※-31
SA-G01-E※※-※-D※/E※-31


固定孔徑可插入到P.A.B端口。(SS、SA型通用)
但請在14MPa以下的壓力范圍內使用。
(注1) SA-G01-H※※-※-D※/E※-31時,電磁鐵安裝在圖的相反位置(SOL a)。
(注2)SA-G01-※※-E※-31時,尺寸1)為96。尺寸2)為73。
| 類型 | E | 最大使用壓力 MPa {kgf/cm2} | 重量(kg) |
|---|---|---|---|
| MSA-01X-10 | 1/4 | 25 {255} | 1.2 |
| MSA-01Y-10 | 3/8 | 1.2 |
墊圈面尺寸(ISO4401-03-02-0-94),(JIS B 8355 D-03-02-0-94)
(注)使用壓力在25MPa以上時,請咨詢本公司。

NACHI柱塞泵部分型號
PVS-1B-16W2S1-12
PVS-2B-16W2S1-12
PVS-1B-22W2S1-12
PVS-2B-22W2S1-12
PVS-1B-35W2S1-12
PVS-2B-35W2S1-12
PVS-1B-45W2S1-12
PVS-2B-45W2S1-12
PVS-1B-16W0S1-12
PVS-2B-16W0S1-12
PVS-1B-22W0S1-12
PVS-2B-22W0S1-12
PVS-1B-35W0S1-12
PVS-2B-35W0S1-12
PVS-1B-45W0S1-12
PVS-2B-45W0S1-12
PVS-1B-16W1S1-12
PVS-2B-16W1S1-12
PVS-1B-22W1S1-12
PVS-2B-22W1S1-12
PVS-1B-35W1S1-12
PVS-2B-35W1S1-12
PVS-1B-45W1S1-12
PVS-2B-45W1S1-12
PVS-1B-16W3S1-12
PVS-2B-16W3S1-12
PVS-1B-22W3S1-12
PVS-2B-22W3S1-12
PVS-1B-35W3S1-12
PVS-2B-35W3S1-12
PVS-1B-45W3S1-12
PVS-2B-45W3S1-12
PVS-1B-16W2A1-12
PVS-2B-16W2A1-12
PVS-1B-22W2A1-12
PVS-2B-22W2A1-12
PVS-1B-35W2A1-12
PVS-2B-35W2A1-12
PVS-1B-45W2A1-12
PVS-2B-45W2A1-12
PVS-1B-16W0A1-12
PVS-2B-16W0A1-12
PVS-1B-22W0A1-12
PVS-2B-22W0A1-12
PVS-1B-35W0A1-12
PVS-2B-35W0A1-12
PVS-1B-45W0A1-12
PVS-2B-45W0A1-12
PVS-1B-16W1A1-12
PVS-2B-16W1A1-12
PVS-1B-22W1A1-12
PVS-2B-22W1A1-12
PVS-1B-35W1A1-12
PVS-2B-35W1A1-12
PVS-1B-45W1A1-12
PVS-2B-45W1A1-12
PVS-1B-16W3A1-12
PVS-2B-16W3A1-12
PVS-1B-22W3A1-12
PVS-2B-22W3A1-12
PVS-1B-35W3A1-12
PVS-2B-35W3A1-12
PVS-1B-45W3A1-12
PVS-2B-45W3A1-12
----
PVS-1B-16W2S2-12
PVS-2B-16W2S2-12
PVS-1B-22W2S2-12
PVS-2B-22W2S2-12
PVS-1B-35W2S2-12
PVS-2B-35W2S2-12
PVS-1B-45W2S2-12
PVS-2B-45W2S2-12
PVS-1B-16W0S2-12
PVS-2B-16W0S2-12
PVS-1B-22W0S2-12
PVS-2B-22W0S2-12
PVS-1B-35W0S2-12
PVS-2B-35W0S2-12
PVS-1B-45W0S2-12
PVS-2B-45W0S2-12
PVS-1B-16W1S2-12
PVS-2B-16W1S2-12
PVS-1B-22W1S2-12
PVS-2B-22W1S2-12
PVS-1B-35W1S2-12
PVS-2B-35W1S2-12
PVS-1B-45W1S2-12
PVS-2B-45W1S2-12
PVS-1B-16W3S2-12
PVS-2B-16W3S2-12
PVS-1B-22W3S2-12
PVS-2B-22W3S2-12
PVS-1B-35W3S2-12
PVS-2B-35W3S2-12
PVS-1B-45W3S2-12
PVS-2B-45W3S2-12
PVS-1B-16W2A2-12
PVS-2B-16W2A2-12
PVS-1B-22W2A2-12
PVS-2B-22W2A2-12
PVS-1B-35W2A2-12
PVS-2B-35W2A2-12
PVS-1B-45W2A2-12
PVS-2B-45W2A2-12
PVS-1B-16W0A2-12
PVS-2B-16W0A2-12
PVS-1B-22W0A2-12
PVS-2B-22W0A2-12
PVS-1B-35W0A2-12
PVS-2B-35W0A2-12
PVS-1B-45W0A2-12
PVS-2B-45W0A2-12
PVS-1B-16W1A2-12
PVS-2B-16W1A2-12
PVS-1B-22W1A2-12
PVS-2B-22W1A2-12
PVS-1B-35W1A2-12
PVS-2B-35W1A2-12
PVS-1B-45W1A2-12
PVS-2B-45W1A2-12
PVS-1B-16W3A2-12
PVS-2B-16W3A2-12
PVS-1B-22W3A2-12
PVS-2B-22W3A2-12
PVS-1B-35W3A2-12
PVS-2B-35W3A2-12
PVS-1B-45W3A2-12
PVS-2B-45W3A2-12
------------------------
PVS-1B-16W2S3-12
PVS-2B-16W2S3-12
PVS-1B-22W2S3-12
PVS-2B-22W2S3-12
PVS-1B-35W2S3-12
PVS-2B-35W2S3-12
PVS-1B-45W2S3-12
PVS-2B-45W2S3-12
PVS-1B-16W0S3-12
PVS-2B-16W0S3-12
PVS-1B-22W0S3-12
PVS-2B-22W0S3-12
PVS-1B-35W0S3-12
PVS-2B-35W0S3-12
PVS-1B-45W0S3-12
PVS-2B-45W0S3-12
PVS-1B-16W1S3-12
PVS-2B-16W1S3-12
PVS-1B-22W1S3-12
PVS-2B-22W1S3-12
PVS-1B-35W1S3-12
PVS-2B-35W1S3-12
PVS-1B-45W1S3-12
PVS-2B-45W1S3-12
PVS-1B-16W3S3-12
PVS-2B-16W3S3-12
PVS-1B-22W3S3-12
PVS-2B-22W3S3-12
PVS-1B-35W3S3-12
PVS-2B-35W3S3-12
PVS-1B-45W3S3-12
PVS-2B-45W3S3-12
PVS-1B-16W2A3-12
PVS-2B-16W2A3-12
PVS-1B-22W2A3-12
PVS-2B-22W2A3-12
PVS-1B-35W2A3-12
PVS-2B-35W2A3-12
PVS-1B-45W2A3-12
PVS-2B-45W2A3-12
PVS-1B-16W0A3-12
PVS-2B-16W0A3-12
PVS-1B-22W0A3-12
PVS-2B-22W0A3-12
PVS-1B-35W0A3-12
PVS-2B-35W0A3-12
PVS-1B-45W0A3-12
PVS-2B-45W0A3-12
PVS-1B-16W1A3-12
PVS-2B-16W1A3-12
PVS-1B-22W1A3-12
PVS-2B-22W1A3-12
PVS-1B-35W1A3-12
PVS-2B-35W1A3-12
PVS-1B-45W1A3-12
PVS-2B-45W1A3-12
PVS-1B-16W3A3-12
PVS-2B-16W3A3-12
PVS-1B-22W3A3-12
PVS-2B-22W3A3-12
PVS-1B-35W3A3-12
PVS-2B-35W3A3-12
PVS-1B-45W3A3-12
PVS-2B-45W3A3-12
----------------------
PVS-1B-16W2S4-12
PVS-2B-16W2S4-12
PVS-1B-22W2S4-12
PVS-2B-22W2S4-12
PVS-1B-35W2S4-12
PVS-2B-35W2S4-12
PVS-1B-45W2S4-12
PVS-2B-45W2S4-12
PVS-1B-16W0S4-12
PVS-2B-16W0S4-12
PVS-1B-22W0S4-12
PVS-2B-22W0S4-12
PVS-1B-35W0S4-12
PVS-2B-35W0S4-12
PVS-1B-45W0S4-12
PVS-2B-45W0S4-12
PVS-1B-16W1S4-12
PVS-2B-16W1S4-12
PVS-1B-22W1S4-12
PVS-2B-22W1S4-12
PVS-1B-35W1S4-12
PVS-2B-35W1S4-12
PVS-1B-45W1S4-12
PVS-2B-45W1S4-12
PVS-1B-16W3S4-12
PVS-2B-16W3S4-12
PVS-1B-22W3S4-12
PVS-2B-22W3S4-12
PVS-1B-35W3S4-12
PVS-2B-35W3S4-12
PVS-1B-45W3S4-12
PVS-2B-45W3S4-12
PVS-1B-16W2A4-12
PVS-2B-16W2A4-12
PVS-1B-22W2A4-12
PVS-2B-22W2A4-12
PVS-1B-35W2A4-12
PVS-2B-35W2A4-12
PVS-1B-45W2A4-12
PVS-2B-45W2A4-12
PVS-1B-16W0A4-12
PVS-2B-16W0A4-12
PVS-1B-22W0A4-12
PVS-2B-22W0A4-12
PVS-1B-35W0A4-12
PVS-2B-35W0A4-12
PVS-1B-45W0A4-12
PVS-2B-45W0A4-12
PVS-1B-16W1A4-12
PVS-2B-16W1A4-12
PVS-1B-22W1A4-12
PVS-2B-22W1A4-12
PVS-1B-35W1A4-12
PVS-2B-35W1A4-12
PVS-1B-45W1A4-12
PVS-2B-45W1A4-12
PVS-1B-16W3A4-12
PVS-2B-16W3A4-12
PVS-1B-22W3A4-12
PVS-2B-22W3A4-12
PVS-1B-35W3A4-12
PVS-2B-35W3A4-12
PVS-1B-45W3A4-12
PVS-2B-45W3A4-12